Мы угадали ваш город?
Да, верно Нет, другой
0
8-495-147-57-35
8-800-333-85-37
Заказать звонок

Крышная газовая котельная на конденсационных котлах КБМК-4


Производитель:
Товар «под заказ»
Розничная цена:
По запросу
Добавить к сравнению
+ В КОРЗИНУ КУПИТЬ В 1 КЛИК
Доставка по городу
Гарантия производителя
Описание
Документация

Группа компаний НПК «Завод модульного энергооборудования» производит крышные газовые котельные на конденсационных котлах в трех городах России. Мы занимаемся проектированием и строительством модульных крышных газовых котельных уже более двадцати лет.

У нас Вы можете купить газовую крышную котельную на конденсационных котлах КБМК-4 мощностью 4 МВт под ключ с гарантией пять лет!


Для уточнения цены крышной котельной на конденсационных котлах заполните опросный лист:

Опросный лист на газовую крышную котельную



Производство блочно-модульной крышной котельной на конденсационных котлах КБМК-4

Крышная котельная на объекте Крышная газовая котельная на объекте

Одновременно в наших производственных цехах производится до десяти блочно-модульных крышных газовых котельных различной мощности, от 500 кВт до 5 МВт.

Высокая скорость сборки обеспечивается за счет:

  • наличия промышленных котлов, горелок и насосов на складе предприятия;
  • типовых узлов и унификации проектных решений;
  • опыт специалистов более 15 лет;
  • выдача рабочих чертежей на производство за три дня;
  • всегда в наличии готовые каркасы модулей котельной!

Краткое описание газовой блочно-модульной крышной котельной на конденсационных котлах мощностью 4 МВт

Крышные газовые котельные на конденсационных котлах КБМК-4 - это газовые крышные котельные, расположенные на крыше здания, разработанные и производящиеся на базе Группы Компаний НПК «Завод модульного энергооборудования». Здесь нами учтены особые требования к крышной котельной по весу и габаритам (для возможности подъема крановой техникой), огнестойкости конструкций, давлению на котлах (так как это верхняя точка системы теплоснабжения).

Водогрейные крышные котельные КБМК-4 блочно-модульного исполнения на конденсационных котлах имеют индивидуальную рабочую документацию, не раз прошедшую экспертизу промышленной безопасности, негосударственную и государственную экспертизу, и согласование в газоснабжающих организаций.

Разрабатывается и производится модульная котельная с применением оборудования мировых лидеров отрасли: GEFFEN (Геффен), Buderus (Будерус), Bosch (Бош), ICI Caldaie (ичи калдае), LaggarTT Лаггартт (Метеор), Hermes (бывший Viessmann), Grundfos (Грандфос), Wilo (Вило), DAB (ДАБ), Wellmix (Вэлмикс), CNP (СиЭнПи), Рационал, Native (Нэйтив).

На данный момент проектный и производственный отделы Группы Компаний НПК «Завод модульного энергооборудования» осуществили проектирование, поставку и монтаж на объектах Заказчиков более 100 крышных и блочно-модульных котельных, география нашей работы продолжает расширяться.


Главные особенности крышной котельной на конденсационных котлах

  • Низкотемпературный режим - крышные котельные в конденсационном режиме работают с температурой подачи теплоносителя не выше 70 °C. Далее, при повышении температуры подачи котельная выходит из конденсационного режима горения. Поэтому в тепловой схеме отсутствуют насосы рециркуляции котлов;
  • Теплообменник котла из нержавеющих металлов, сплавов и сталей, ведь при конденсационном режиме горения происходит конденсация пара с примесями внутри котла, вызывающая активную коррозию сплавов железа;
  • Регулирование температуры подаваемого теплоносителя автоматикой котла, а не путем подмеса холодного теплоносителя обратки к подаче из котельного контура;
  • Уменьшение выбросов NOx и CO котельной, даже визуально значительно меньше пара из дымовой трубы;
  • В переходный период (весной и осенью) и летом, КПД данных хотельных значительно растет.

Крышная газовая котельная на обекте вид сбоку Крышная котельная на обекте вид сбоку Крышная газовая котельная на обекте ночью


Краткие характеристики крышной газовой котельной на конденсационных котлах 4 МВт

  • Габаритные размеры (ДхШхВ): 10000х3000х3000 мм.;
  • Расход газа: 112 м3/ч;
  • Мощность электрооборудования: от 21 кВт;
  • Тепловая мощность: до 4000 кВт;
  • Количество водогрейных котлов: не менее 2;

Применяемые котельные установки:

  • Buderus (Logamax Plus)
  • Bosch (Condens)
  • ICI Caldaie (GREENOx BT COND; GREENOx.e; SIXEN N; TReVAPOR)
  • LaggarTT (Лаггарт, Метеор) (METEOR M6; LaggarTT T2 / METEOR T2; METEOR M30)
  • Hermes (ALUCON; ULTRABOX; Alubox X-treme; WALLCON)
  • GEFFEN (MB 3.1; MB 4.1; MB 5.1)

Применяемое насосное оборудование:

  • Промышленные насосы Grundfos (Сербия);
  • Промышленные насосы Wilo;
  • DAB;
  • Wellmix;
  • CNP;
  • Рационал;
  • Native.

Применяемое газовое оборудование:

  • Astin BGM;
  • Завод "ЭКСФОРМА";
  • Riello;
  • Ecoflam;
  • Baltur.

Используемое топливо:

  • Природный газ
  • Сжиженный газ
  • Попутный газ

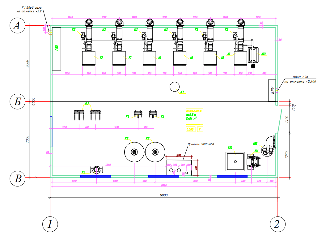
Крышная газовая котельная компоновочный план Крышная газовая котельная принципиальная схема пожарной и охранной сигнализации Крышная газовая котельная принципиальная схема пожарной сигнализации Крышная газовая котельная принципиальная схема охранной сигнализации Крышная газовая котельная система дымоудаления


Ограничения на монтаж крышной котельной

Помимо явных преимуществ, крышные котельные имеют ряд требований, регламентирующих их использование.

Мощность крышной котельной не может превышать:

  • Для жилых многоквартирных домов не более 3 МВт;
  • Для промышленных и складских объектов максимально допустимая мощность крышной котельной составляет 5 МВт.

Монтаж крышных котельных запрещен для промышленных зданий, имеющих категории А и Б взрывопожарной опасности.

Также не допускается устройство крышных котельных для зданий, в которых одновременно могут находиться 50 и более человек. Это относится к школам, больницам, профилакториям, гостиницам, объектам общественного питания, торговым центрам и т.п.

Если планируется монтаж котельную на здании выше 26,5 м, необходимо согласование с территориальными органами Управления Государственной противопожарной службы. При высоте здания свыше 36,5 м необходимо получить дополнительное разрешение от местных органов противопожарной безопасности.

Давление подающегося газа не должно превышать 5 кПа (низкое давление газа), если же в газовой сети оно выше, котельные оборудуются ГРПШ (пункт редуцирования газа шкафной).

Более подробно требования и рекомендации к оборудованию газовых котельных изложены в Федеральном законе «Об энергосбережении и о повышении энергетической эффективности» №261-ФЗ, а также нормативных документах «СП 89.13330.2016. Свод правил. Котельные установки» и «СП 62.13330.2011. Свод правил. Газораспределительные системы».


Крышная котельная на объекте. Котлы Автоматика крышной котельной на объекте Крышная котельная на объекте. Устройство Крышная котельная на объекте. Автоматика



Заказывайте крышные котельные у нас!

  • Сборка крышной котельной от месяца - всегда в наличии на складе промышленные котлы, начинаем производство сразу!
  • Доставка по России за три дня - в любой федеральный центр.
  • Цена крышных котельных на 25% меньше - оптимальные проекты и оборудование.
  • Опыт производства крышных котельных более 20 лет - сотни объектов сданы в эксплуатацию.
  • Гарантия на котельную 5 лет - мы уверены в своей работе!
  • Мы работаем за Вас - от помощи в получении технических условий на газ, до обслуживания готовой котельной.
  • Качественное оборудование - мы используем насосы Wilo и Grundfoss, арматуру Danfoss, теплообменники Ридан.
  • Оптимальные габаритные решения - компоновка оборудования котельной расчитана до миллиметра, что уменьшает габаритные размеры и не препятствует обслуживанию.
  • Производство сертифицированно- возможно использование на всей территории таможенного союза.
  • Доставка КБМК собственным транспортом - кратчайшие сроки, постоянные партнеры - транспортные компании.

Вы получите бесплатную консультацию, позвонив нам по телефону:
8-800-333-85-37

Или оставив заявку на звонок

ЗАКАЗАТЬ ЗВОНОК


География поставок

Бесплатная доставка из Москвы осуществляется по Москве и Московской области, Ленинградской области и Санкт-Петербургу, в городах: Калуге, Смоленске, Твери, Великом Новгороде, Ярославле, Владимире, Вологде, Костроме, Иваново, Нижнем Новгороде, Рязани, Йошкар-Оле, Чебоксарах, Пензе, Саратове, Тамбове, Саранске, Липецке, Туле, Ореле, Курске, Брянске, Белгороде, Воронеже, Ростов-на-Дону, Краснодаре, Сочи, Майкопе, Ставрополе, Элисте, Астрахани.

Бесплатная доставка из Перми осуществляется по Пермскому краю, Свердловской области (Екатеринбург), в городах: Ижевске, Кирове, Челябинске, Тюмени, Уфе, Кургане, Кирове, Оренбурге, Самаре, Сыктывкаре, Ханты-Мансийске и другим городам и регионам России.

В регионы Севера и Дальнего Востока поставка осуществляется с учетом транспортных расходов перевозкой по железной дороге, а также любым другим транспортом.



Цена газовой крышной котельной может быть значительно уменьшена!

Так как установка и монтаж блочно-модульной крышной котельной производится зачастую для обеспечения нужд существующих зданий и центральных тепловых пунктов, часть необходимого оборудования может быть уже установленна на объекте строительства, например: узлы учета газа и воды, насосные станции и т. д.

Отсутствие необходимости горячего водоснабжения и водоподготовки снижает стоимость котельной. Также это может повлиять на габаритные размеры блочно-модульной котельной в сторону уменьшения.


На котельных применяется надежная автоматика управления и безопасности, которая обеспечивает:

  • отключение подачи газа к газовой горелке при выходе параметров газа за заданные пределы;
  • подпитку и поддержание температуры и давления воды на заданном уровне;
  • диспетчеризацию котельной с выводом информации посредством проводной и беспроводной связи в любую точку;
  • звуковую и световую сигнализацию состояния.

Каждая крышная котельная представляет собой уникальный объект, с индивидуальными характеристиками. Уникальность блочно-модульных газовыех котельных обусловлена как техническим заданием Заказчика, так и характеристиками абонентов и сетей газоснабжения и водоснабжения, расположением котельной, местом ввода коммуникаций в котельную и окружающими объектами и сетями, а также выбранным котельным оборудованием.


Область применения блочно-модульных крышных котельных на конденсационных котлах КБМК-4:

  • Теплоснабжение многоквартирных жилых домов — новые ЖК и реконструируемые здания;
  • Склады и складские комплексы;
  • Промышленные объекты — при необходимости автономного теплоснабжения;
  • Торговые центры;

Для заказа крышной котельной на конденсационных котлах заполните опросный лист:
Опросный лист на газовую крышную котельную


Срок расчета стоимости блочно-модульной котельной составляет от 1 до 7 рабочих дней, в зависимости от Технического задания, сложности объекта и наличия всех исходных данных.

Опросный лист проектирования и производства крышной блочно-модульной котельнойСкачать документ
Паспорт крышной модульной котельной на конденсационных котлах 1,8 МВт скачатьСкачать документ

Задать вопрос


Выберите ваш город
×
 Раменское
Продолжая использовать наш сайт, вы соглашаетесь с условиями обработки cookie-файлов и пользовательских данных с помощью Яндекс.Метрика, необходимых для аналитики и улучшения качества работы сайта и сервиса. Запретить эти действия можно в настройках браузера